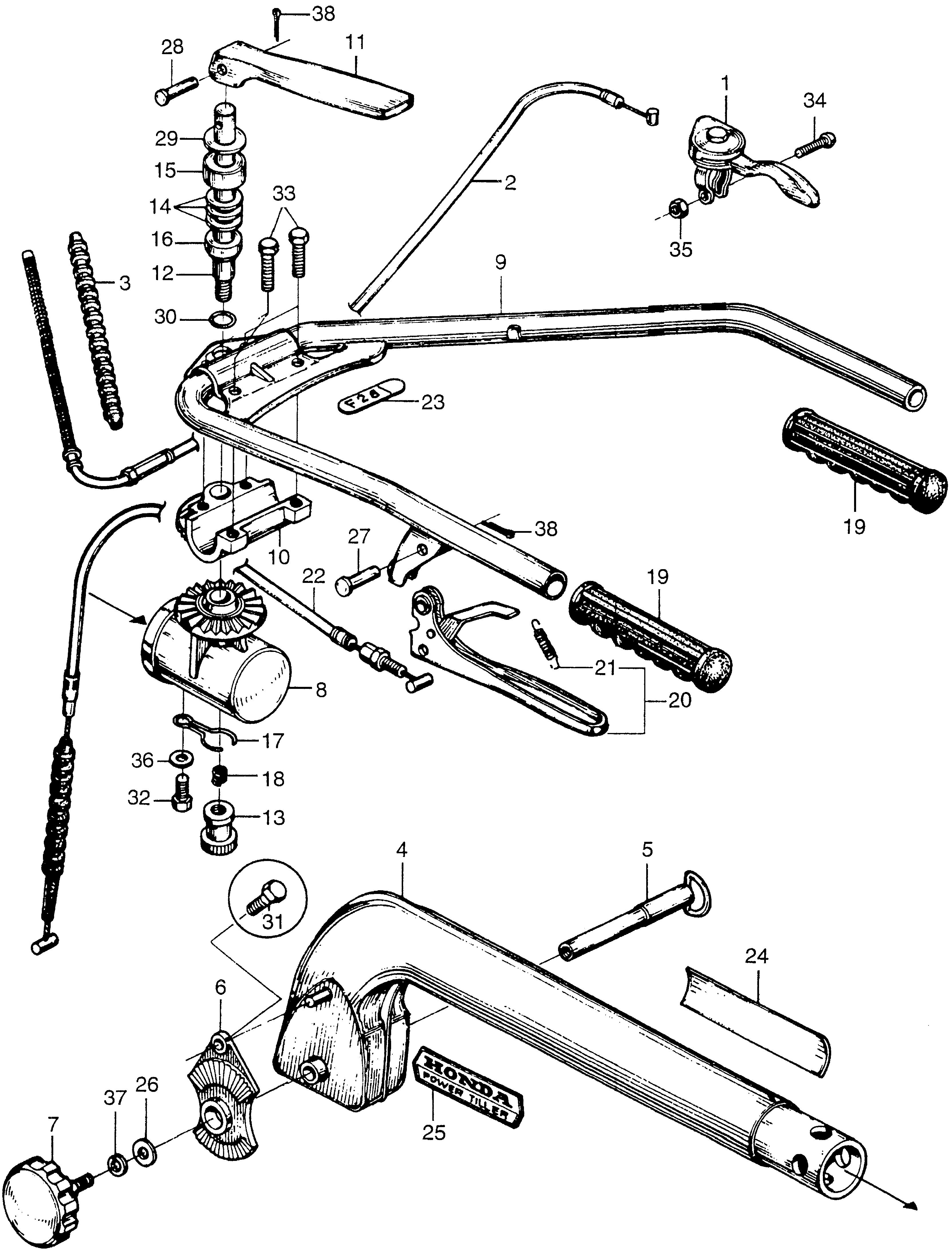
Description LEVER ASSY., THROTTLE (STEEL PRESSED LEVER)
Serial Range 1122001 - 9999999
Qty
Price $32.82
Ref No 2
Part Number 17910-715-000
Description CABLE, THROTTLE (NOT AVAILABLE)
Serial Range 1000001 - 205869
Ref No 2
Part Number 17910-715-010
Description CABLE, THROTTLE (NOT AVAILABLE)
Serial Range 205870 - 9999999
Ref No 3
Part Number 17912-715-000
Description BOLT, WIRE (NOT AVAILABLE)
Serial Range 1000001 - 9999999
Ref No 4
Part Number 50110-715-000H
Description COLUMN, HANDLE *R8* (BRIGHT RED)
Serial Range 1000001 - 9999999
Ref No 5
Part Number 50120-715-020
Description SHAFT, HINGE
Serial Range 1000001 - 9999999
Ref No 6
Part Number 50151-715-010
Description SWINGARM (NOT AVAILABLE)
Serial Range 1000001 - 9999999
Qty
Price $55.16
Ref No 7
Part Number 50161-708-010
Description ADJUSTER A, HANDLE (NOT AVAILABLE)
Serial Range 1000001 - 9999999
Ref No 8
Part Number 50171-715-000
Description BASE, SWING (NOT AVAILABLE)
Serial Range 1000001 - 9999999
Ref No 9
Part Number 53100-715-010
Description HANDLEBAR (NOT AVAILABLE)
Serial Range 1000001 - 9999999
Ref No 10
Part Number 53131-715-010
Description FRAME, SWING HANDLE
Serial Range 1000001 - 9999999
Ref No 11
Part Number 53132-715-000
Description LEVER, HANDLE ADJUSTING
Serial Range 1000001 - 9999999
Qty
Price $46.96
Ref No 12
Part Number 53133-715-000
Description SHAFT, HANDLE ADJUSTING
Serial Range 1000001 - 9999999
Qty
Price $30.38
Ref No 13
Part Number 53134-715-000
Description NUT, HANDLE ADJUSTING
Serial Range 1000001 - 9999999
Qty
Price $19.43
Ref No 14
Part Number 53135-715-000
Description SPRING, HANDLE ADJUSTING
Serial Range 1000001 - 9999999
Ref No 15
Part Number 53136-715-000
Description SHEET, HANDLE ADJUSTING SPRING
Serial Range 1000001 - 9999999
Qty
Price $13.02
Ref No 16
Part Number 53137-715-010
Description COLLAR, ADJUSTING
Serial Range 1000001 - 9999999
Ref No 17
Part Number 53138-715-000
Description HOLDER, NUT
Serial Range 1000001 - 9999999
Ref No 18
Part Number 53139-715-000
Description SPRING, LOCK
Serial Range 1000001 - 9999999
Qty
Price $3.11
Ref No 19
Part Number 53321-708-000
Description GRIP, HANDLE
Serial Range 1000001 - 9999999
Qty
Price $24.61
Ref No 20
Part Number 54410-708-020
Description LEVER, CLUTCH (NOT AVAILABLE)
Serial Range 1000001 - 9999999
Ref No 21
Part Number 54415-708-300
Description SPRING, LEVER (NOT AVAILABLE)
Serial Range 1000001 - 9999999
Ref No 22
Part Number 54510-715-000
Description CABLE, CLUTCH
Serial Range 1000001 - 9999999
Ref No 23
Part Number 87101-715-000
Description MARK C (NOT AVAILABLE)
Serial Range 1000001 - 9999999
Ref No 24
Part Number 87521-708-710
Description PLATE, CAUTION (NOT AVAILABLE)
Serial Range 1000001 - 9999999
Ref No 25
Part Number 87152-709-600
Description EMBLEM, HANDLE COLUMN
Serial Range 1000001 - 262001
Ref No 26
Part Number 90442-283-000
Description WASHER B, SEALING (10MM)
Serial Range 262002 - 9999999
Qty
Price $4.28
Ref No 27
Part Number 90751-708-000
Description PIN (8X18)
Serial Range 262002 - 9999999
Ref No 28
Part Number 90753-708-010
Description PIN, ARM (NOT AVAILABLE)
Serial Range 1000001 - 9999999
Ref No 29
Part Number 90754-715-000
Description WASHER, THRUST (14)
Serial Range 1000001 - 9999999
Ref No 31
Part Number 92101-06010-0A
Description BOLT, HEX. (6X10)
Serial Range 1000001 - 9999999
Qty
Price $2.38
Ref No 32
Part Number 92101-06012-0A
Description BOLT, HEX. (6X12)
Serial Range 1000001 - 9999999
Qty
Price $2.41
Ref No 33
Part Number 92101-06016-0A
Description BOLT, HEX. (6X16)
Serial Range 1000001 - 9999999
Qty
Price $2.49
Ref No 34
Part Number 93500-05020-0A
Description SCREW, PAN (5X20)
Serial Range 1000001 - 9999999
Qty
Price $1.40
Ref No 35
Part Number 94001-05000-0S
Description NUT, HEX. (5MM)
Serial Range 1000001 - 9999999
Qty
Price $4.68
Ref No 36
Part Number 94101-06800
Description WASHER, PLAIN (6MM)
Serial Range 1000001 - 9999999
Qty
Price $1.12
Ref No 37
Part Number 94111-10000
Description WASHER, SPRING (10MM)
Serial Range 1000001 - 9999999
Qty
Price $2.30
Ref No 38
Part Number 94201-20150
Description PIN, SPLIT (2.0X15)
Serial Range 1000001 - 9999999
Qty
Price $1.76
Item added to your cart
California Prop 65 Information
Internal Combustion Engine Products:
WARNING:
This product can expose you to chemicals including soots, tars, and mineral oils, which are known to the State of California to cause cancer,
and carbon monoxide, which is known to the State of California to cause birth defects or other reproductive harm. For more information go to
www.P65Warnings.ca.gov.
Miimo Robotic Mower
WARNING:
This product can expose you to chemicals including lead and lead compounds, which are known to the State of California to cause cancer and birth defects or other reproductive harm.
For more information go to
www.P65Warnings.ca.gov.